条文说明:8 木结构
条文说明
8 木结构
8.1 一般规定
8.1.1 木结构修缮前的复查是很有必要的。因查勘时条件所限,不可能对有关构件和部位全部直观检查,所以施工前应复查被加固构件损坏情况、部位、规格尺寸以及相关构件。
木结构修缮施工比较复杂,要求严格,所以要求施工前制定施工方案,其中包括已损坏结构的处理、临时支撑结构的设置、施工技术、施工顺序、安全措施等。
8.1.2 必要时应设临时支撑或卸除上部荷载,是减少被修缮构件的承载,创造施工中的安全条件的有效措施之一。本次修订条文中增加了临时支撑的有关规定。
8.1.3 把补强损伤构件恢复到查勘设计要求的位置,按每个构件实际尺寸套样编号才能确保达到预期的修缮效果。
8.1.4~8.1.6 对木结构修缮补强关键施工技术提出具体的要求。
8.1.7 白蚁和虫害在全国分布较广,由于各地区气候条件、地理环境的不同,白蚁的种类和防治的方法也不同。一般各地都设有专门的白蚁防治机构。因此,在施工过程中发现白蚁,应及时委托白蚁防治专业单位进行处理。
8.1.8 对木结构修缮工程的防护和防火提出要求。
8.2 木柱
8.2.1 嵌入墙内的木柱截面,有方形、圆形及全嵌、半嵌结构形式。由于房屋的变形、木柱根的腐朽下沉在木柱加固前需要重新扶正,施工时一般需拆开砌体才能施工。
8.2.2 本条规定了木柱接墩柱的施工要求。
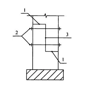
8.2.3 搭接榫连接,见图17。

图17 搭接榫连接
1-承压面;2-螺栓;3-竖向结合面
8.3 木 梁
8.3.1 木梁或木搁栅多因入墙端通风不良潮湿,年久腐朽。不同地区修缮方法各不相同,综合分析用木夹板加固比较通用可靠,所以选用了木夹板修缮方法。
8.3.2 下撑式钢拉杆修缮补强形式多样,图18是一种较为简单的做法,此做法一般用在修缮截面小、承载能力不足出现颤动或挠度过大的梁,经加下撑式钢拉杆组成新的受力构件。
在修缮施工前,要特别注意检查木梁两端头的材质是否腐朽、虫蛀,只有在材质完好的条件下才能保证钢拉杆固定牢靠。新加拉杆下撑系统应在梁轴线的同一垂直平面内,施工中应注意检查以保证结构的稳定性,达到设计要求。

图 18 下撑式钢拉杆加固梁
1-木梁;2-撑杆;3-支撑钢拉杆
8.3.3 扁钢箍制作要求外形规整,保证尺寸准确,与梁结合贴附。加工时要足尺放样。特别要注意连接螺栓卡口闭合后应有间隙,这样才能使螺栓紧固严密,并与梁表面贴附。
8.3.4~8.3.7 对木梁提出部分修缮补强的施工方法。
8.4 木屋架
8.4.1 木屋架需修缮或立贴式木构架的牮正,大多是由于木材通风不良受潮、虫蛀等多种原因造成局部损坏或变形。由于立贴式构架或木屋架都是重要承重构件,因此在施工前,应根据修缮要求制定不同的施工方案和安全技术措施,确保安全施工。
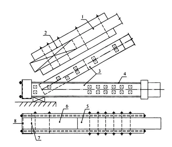
8.4.2、8.4.3 木屋架端节点因年久上下弦入墙处腐朽,承压面、抗剪面损坏,造成屋架下沉。施工前要拆开直观检查,当需顶升复位时要结合屋架受力特点做必要的临时支撑措施,确保顶升时稳定,防止突然破坏。木屋架端头双面加木夹板施工要求严格,特别是上下弦相接的承压面都应贴附严密才能到达修缮效果。图19是木屋架端节点用木夹板串杆连接补强的一种形式。
8.4.4 木竖杆用钢拉杆修缮补强见图20,除用在屋架中央,也可用在节间的木竖杆补强。
钢拉杆一般有2根或4根。这种形式的串拉杆,穿过钢件孔眼与原木竖杆应对称平行串附,当屋架中央竖杆为木竖杆,施工时需锯截上部时,应对屋架上弦临时支撑以免屋架突然破坏。
8.4.5 立贴式木构架是檩梁柱连接的整体受力结构,由于年久、木柱根腐朽等原因,整个房屋一侧或两侧发生倾斜,严重影响使用和结构安全。修缮多采用牮拉复位方法,南方地区已具有牮正专门技术,一定要按照本条中的施工顺序进行牮正。

图19 木夹板串杆加固
1-原有上弦;2-新加方木;3-新加木夹板;4-串杆;5-原有下弦;6-上弦;7-新加硬木枕块;8-槽钢

图20 木竖杆加固
1-原有木拉杆;2-加固拉杆;3-原有夹板剪面开裂
8.5 其他木构件
8.5.2 木楼梯修缮包括常用的两种类型,明帮三角木及装帮楼梯。对明帮楼梯修缮考虑了拆换打夹板。装帮楼梯只考虑了换帮一种形式。本次修订条文中增加了楼梯斜梁上的三角木损坏和踏步板磨损严重的修缮方法。
8.5.3 木顶棚修缮包括一般常用的木吊杆,把顶棚吊在木檩上及在寒冷地区采用木搁栅承受顶棚及保温层的做法加固。
